Page 99 - 《振动工程学报》2025年第9期
P. 99
第 9 期 徐新云,等:微振动测量和评估关键技术研究 2029
无隔振措施场地 数据接收
时域分析
X
文件管理
频域分析
基于 上
半导体隔振地基
FPGA+DSP 位 信号处理
的采集终端 以 机 倍频程分析
Y 太
网 界面显示
精密仪器 连 微振动分析
隔振平台 接 界面交互
Z
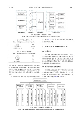
微振动测量场地 传感器模块 数据采集模块 上位机软件模块
图 17 微振动测量与评估系统总体方案
Fig. 17 The general scheme of micro-vibration monitoring and analysis system
置模块如图 所示,可设置细化频段和采样频率,
表 3 941B 型拾振器主要参数 21
Tab. 3 Main parameters of sensor type 941B 自动计算细化倍数。
参数 数值
频率范围/Hz 0.5~100 4 微 振 动 测 量 与 等 级 评 估 实 验
-1
灵敏度/(V·s·m ) 23
4.1 实验方法
表 4 MI-7208 系统部分参数
Tab. 4 Partial system parameters of MI-7208 [23]
环境微振动测量实验简单且真实可靠 。流程
参数 数值
为:拾振器测量隔振地基表面振动速度信号,输入至
输入通道 8
MI-7208 智能测量装置,对信号进行采集和处理,通
分辨率 24位
过以太网传输至计算机,再经专用软件得到微振动
动态范围/dB 130
倍频程图谱,获得微振动等级。
和显示模块。显示模块包括微振动信号的时域曲
4.2 微振动等级实地测量实验
线、倍频程谱图、微振动数据。微振动倍频程谱图
显示区域背景,绘制微振动等级曲线。交互模块包 采用高精度微振动测量与评估系统对之江实验
括测量的开始与结束、测量参数的设置、传感器设 室超洁净室场地进行测量。该洁净室位于负一楼,
置等。 地面交通、人员走动等其他因素对其影响较小。测
基于 M-ZFFT 算法的分频段倍频程频谱分析设 点布置及测量现场如图 22 和 23 所示。
微振动等级测量评估软件
数据传输与 数据管理与 信号分析与 界面显示模块 界面交互模块
控制模块 储存模块 处理模块
时 三
时 域/ 信 时 分 微 测
实 控 域/ 频 信 信 号 域 之 振 微 测 量
时 制 频 域 信 号 号 倍 曲 一 动 振 量 开
号
信 命 域 储 时 频 线 倍 传 参 始/
号 令 信 存 预 域 域 频 实 频 等 感 数 结
级
程
传 传 号 信 处 分 分 分 时 程 显 器 设 束
理
输 输 储 号 析 析 析 显 谱 示 设 置 设
存 读 示 显 置 置
取 示
图 18 微振动等级测量评估软件总体框架
Fig. 18 The general framework for micro-vibration level measurement and evaluation software

